Hidraulinis cilindras su praeinamuoju gręžiniu 20 t
- Galingas grąžtinių spyruoklių grįžimo greičiui didinti cilindrui
- Dvikryptis sūkurinėjas gerai apsaugo nuo nešvarumų
- Cilindras su išorine gija patogesniam sujungimui
- Didelio srauto ryšys
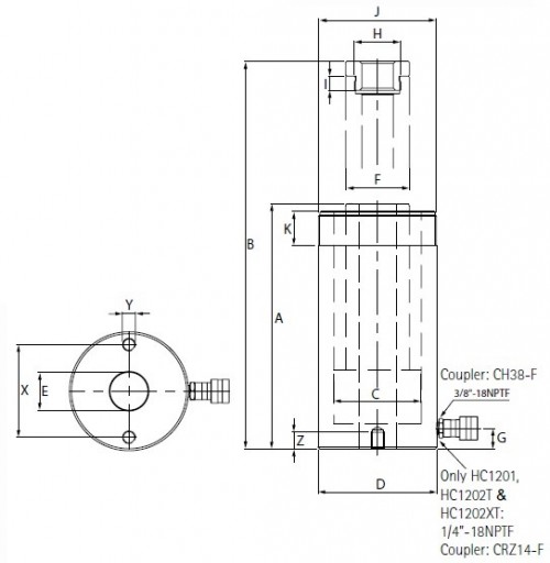
Parametrai
| Išorinis cilindro skersmuo | 99 mm |
| Vidinis stūmoklio angos skersmuo | 27 mm |
| Tepalo talpa | 487 ml |
| Maksimalus aukštis | 460 mm |
| Minimalus aukštis | 306 mm |
| Jėga | 20 t |
| Svoris | 13.4 kg |
| Cilindras | 154 mm |
| Vidinio stūmoklio sriegio ilgis | 21 mm |




